Все проекты
Готовый чертеж по заданию:
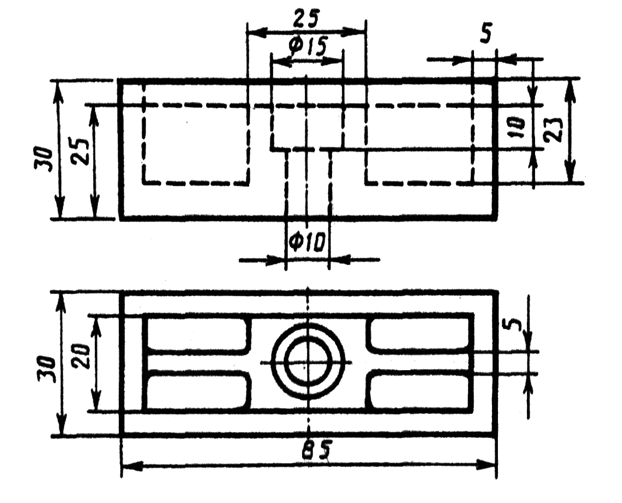
Построить недостающую проекцию детали
Выполнить необходимые разрезы
Проставить размеры
Вычертить изометрию детали с вырезом передней четверти
Чертеж в формате PDF (на одном, либо двух листах)
info@ip-inventor.ru