Полная 3D модель с со сборками и деталировкой
Формат: Компас 3d V23, STP
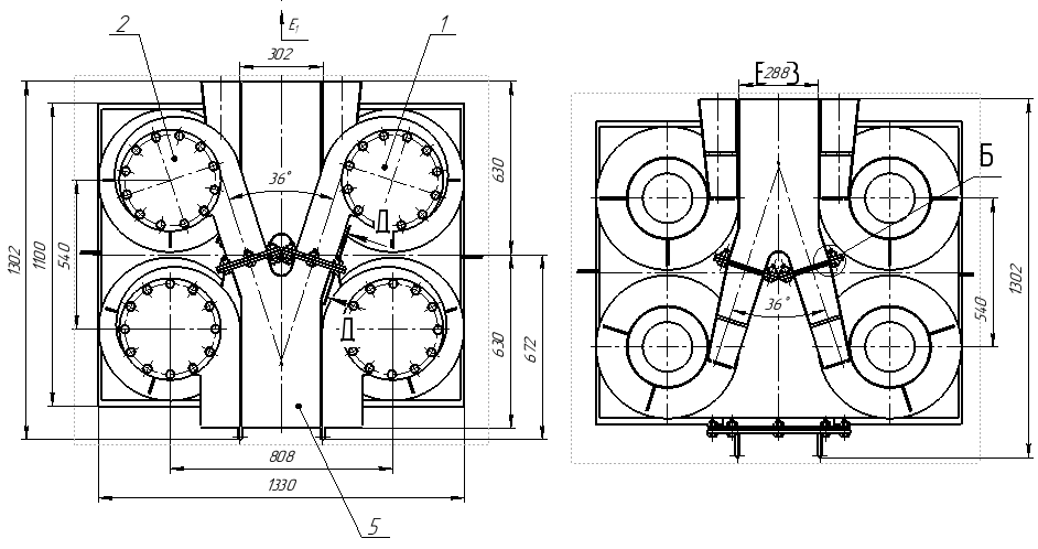
Основные технические характеристики
Внутренний диаметр корпуса циклона — 500 мм.
Количество циклонов в группе — 4 штуки.
Скорость потока — 2,5–4 м/с. В обычных условиях оптимальной считается скорость 4 м/с, при работе с абразивной пылью рекомендуется скорость 2,5 м/с.
Производительность — от 7065 до 11305 м³/ч.
Массовая концентрация пыли в очищаемом газе:
для слабослипающихся пылей — не более 1000 г/м³;
для среднеслипающихся пылей — 250 г/м³.
Рабочее сопротивление — 693–1774 Па.
Вид пылесборного бункера — пирамидальный.
Размер пылевыгрузного окна бункера — 200×200 мм.
Размеры циклона (с учётом бункера)— 1330×1300×4200 мм.

